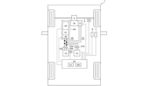
Automakers are constantly trying to push the limits of engineering and innovation. Ever since the dawn of automotive history, designers and researchers have attempted to build cars that were faster, more efficient, and more comfortable.In the present day, although the majority of automakers’ efforts are focused on the development of models with electric and hybrid powertrains, some companies still choose to explore alternate paths as well. One of them is Subaru: earlier this year, CarBuzz discovered the company had filed a patent for a very interesting type of powertrain.We are talking about turbine propulsion, something that several automakers have tried to implement in the past but which never led to a large-scale production vehicle. This is the second time Subaru was found to have filed a patent for a turbine engine, indicating there may be genuine interest on the part of the company in exploring this area of research further. Subaru's Ambitious Endeavor: A Turbine Engine For The Modern Day WIPO The two patents filed by the Japanese automaker involve using a turbine engine as a range extender in an EV. While the earlier patent was primarily concerned with how to speed up the turbine’s start-up process, the most recent one outlines a system that could enable the turbine to start even after losing power. This is achieved thanks to the high-voltage battery and the vehicle’s generator, which could be used to spin up the turbine engine. The 12V battery could also be used for this purpose in a pinch, if no alternatives are available.Although, unlike other automakers, Subaru has never attempted to build a vehicle with a turbine engine before, it does have a connection to the world of aviation thanks to its parent company. Subaru Corporation, formerly known as Fuji Heavy Industries, has an aerospace branch which builds helicopters.Pratt and Whitney Of course, we have no way of knowing whether this patent is simply a design exercise or whether it will result in anything concrete being built and shown to the world at some point in the future. However, it is still fascinating to think that the turbine engine, an automotive propulsion method that has been explored in the past without much result, could find a new purpose in the age of EVs.If Subaru decides to pursue this project further, the company will be following in the footsteps of several automakers from across the decades which have tried, and failed, to build and release a successful turbine-powered model. Let’s take a look at some of these efforts. The Pros And Cons Of A Potential Subaru Turbine Car Subaru A Subaru model with a turbine engine being used as a range extender could be a very interesting addition to the automotive world. However, it could also have some fairly large drawbacks. Let's explore some of the pros and cons of this unique type of powertrain.Starting with the positives, we have fuel flexibility, one of the core characteristics of turbine engines. Turbines can run on virtually anything flammable, and this range extender could be powered by anything from regular gas to diesel to ethanol. The fact that the engine would be used as a range extender, rather than the vehicle's primary source of propulsion, also plays in its favor: the turbine engine may have downsides, but it doesn't necessarily have to be employed unless the situation calls for it.Now, for the cons. Being an unusual type of engine, a gas turbine would likely be quite expensive to manufacture and maintain. This could result in the hypothetical new model being outside of the average consumer's budget. There are also concerns about noise levels (turbines are notoriously loud), large dimensions and weight, and intense heat production: all of these factors can make a turbine car less desirable in the eyes of uncertain consumers. Choosing to build a vehicle with this propulsion method is a big gamble for Subaru, but it would certainly be fascinating to see what a modern turbine car would look like in real life. The Chrysler Turbine Car: A Failed Experiment ChryslerSubaru is not the first automaker to venture into the world of turbine power. One of the most famous turbine-powered vehicles from automotive history is the Chrysler Turbine Car, an experimental concept vehicle which never resulted in a production run. The Turbine Car was built between 1963 and 1964, and showcased Chrysler’s commitment to innovation through its unique design. Unlike other Chrysler turbine-powered prototypes, it was designed from scratch, rather than simply being an existing Chrysler production model with a turbine engine installed.The Turbine Car’s design was created by Chrysler’s own Elwood Engel, but its bodywork and interior were built by legendary Italian design firm Ghia. Bodies were assembled in Ghia’s Italian factory, before being sent to Detroit where mechanical and electrical components were installed. All cars were finished in a distinct shade called Turbine Bronze, and were rich in futuristic design cues that evoked the optimism of the post-war Jet Age.CZmarlin (Christopher Ziemnowicz) / Wikimedia Commons Power came from an engine called the A-831, the fourth member of Chrysler’s turbine engine family. Structured very differently from a conventional combustion engine, the A-831 had no pistons, connecting rods, crankshaft, cooling system, or radiator. It idled between 18,000 and 22,000 rpm (with the maximum safe speed being 44,500 rpm). Peak power output (130 hp) was produced at 36,000 rpm. The A-831 could also run on many different fuels, including kerosene or unleaded gasoline mixed with diesel.The Turbine Car was the subject of an innovative testing program, which saw Chrysler recruit members of the general public in an effort to evaluate the car’s performance. 55 Turbine Cars were built, 50 of which were tested over a three-month period by a variety of private individuals. The test, however, revealed several shortcomings that prevented the Turbine Car from getting a production run.The starting procedure was highly complex, and the turbine engine had performance issues such as poor acceleration and poor performance at higher altitudes. High nitrogen oxide emissions were a concern as well. The engine was also incompatible with leaded fuel, which was the default option at the time and wouldn’t be phased out until several years later. Other Past Attempts At A Turbine Car: Chrysler's Many Efforts… Wikimedia Commons - Greg Gjerdingen Although the A-831 was commonly referred to as the “Chrysler Turbine Car”, it was actually one of many. Chrysler made several attempts at building turbine engines and turbine-powered cars over the decades. The research program that created these vehicles lasted over two decades, starting in the early 1950s and ending in the late 1970s.The story started with the CR1 turbine engine, created in the early '50s and tested in several examples of the Plymouth Belvedere. The first successful test of this 100-hp engine was carried out in 1954, celebrating the opening of Chrysler’s new proving grounds in Michigan. Soon afterward, a new engine called the CR2 arrived, with double the CR1’s power output. This engine was tested in several Plymouth vehicles, including a custom vehicle based on the Fury dubbed the “Turbine Special”.The CR2 evolved into the CR2A a few years later. In this engine, Chrysler added features such as upgraded turbine vanes and a pivoting fuel nozzle. This resulted in smoother acceleration and the availability of engine braking. The CR2A was the predecessor to the A-831, the engine that was used in the Chrysler Turbine Car.Stellantis North America Although the Turbine Car experiment did not result in a large-scale production model, Chrysler continued to pursue the turbine engine development project. While the A-831 Turbine Car was still being tested, the company came up with its successor: the A-875. This engine was quite similar to the A-831, but had larger regenerators. It was tested in two 1964 Plymouth Furys.The sixth generation improved upon its predecessors by refining engine braking and upgrading the power steering pump. Two Dodge models, a Charger and a Coronet 500, were used to test the sixth-generation engine. Chrysler even briefly contemplated a small production run for a turbine-powered Coronet, but ultimately chose not to go ahead with it. The seventh and last Chrysler turbine engine arrived in the mid '70s, producing 104 hp. It was installed in two Dodge Aspens and a Chrysler LeBaron, which would become Chrysler’s last turbine-powered car as the project was eventually shut down. ...And GM's Firebird Series General Motors Chrysler was not the only brand out there with an interest in exploring the potential of automotive turbine power. Around the time the earliest Chrysler turbine-powered prototype was being built, GM was coming up with a turbine concept of its own: the first member of the Firebird series.Initially referred to as the Firebird XP-21, this prototype was later named the Firebird I. It made its debut in 1953, with a striking design inspired by the world of aircraft. It looked more like a plane than a car, and even had small wings and a tail. The Firebird I was equipped with an engine called the Whirlfire Turbo Power, which produced 370 hp.The Firebird I was succeeded by a second prototype, the Firebird II, which had a very different and more conventional design. A four-seater car, the Firebird II was still highly futuristic, but more practical and similar to an ordinary vehicle. While the Firebird II was fitted with drum brakes, the Firebird II had disc brakes on all four wheels, as well as a fully independent suspension.The third member of the Firebird family, the Firebird III, was introduced in 1959. This model had yet another configuration: a two-seater sports car, with two canopies protecting occupants instead of a conventional roof and windshield. A few more comfort and mechanical features could be found on board, including cruise control, anti-lock brakes, and air conditioning.General Motors Last of all, we have the Firebird IV, which made its debut at the 1964 New York World’s Fair. While the previous three Firebirds all had fully functional turbine powertrains on board, this car was a display piece that could not move under its own power. It was more of a concept aimed at illustrating GM’s vision for the future, which included the potential for autonomous driving. The Firebird IV was eventually destroyed in the 1980s.Sources: Subaru, Chrysler, GM