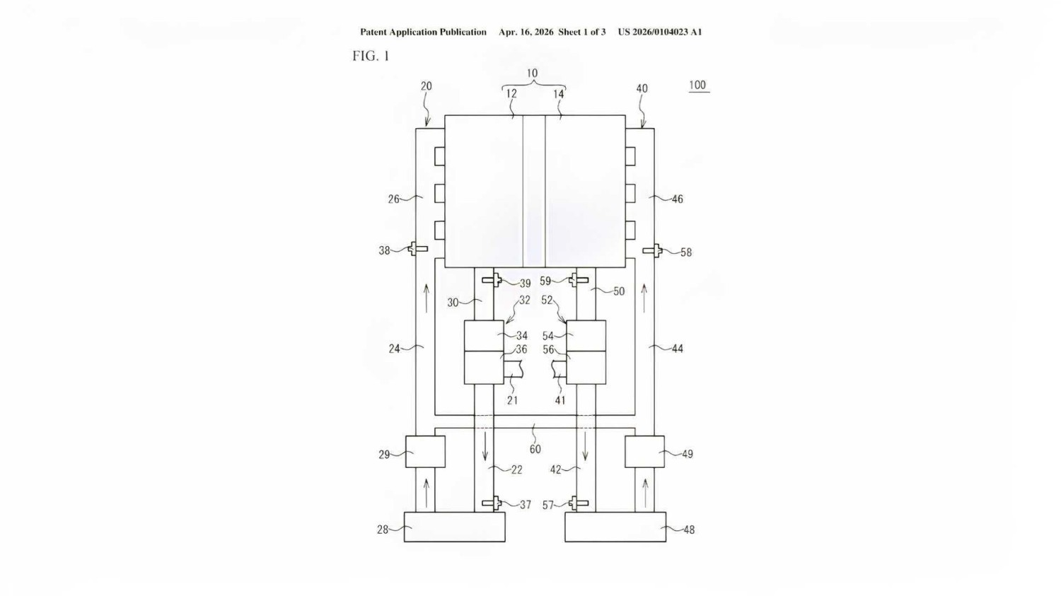
In the rareified world of flagship sports cars, every little bit of technological edge is worth its weight in titanium and carbon fiber. That may explain Toyota's latest patent for the GR GT, the exotic front-engined super-coupe powered by a twin-turbocharged 4.0-liter V8. The automaker's keen engineers knew that the engine could potentially have minor performance anomalies, stuff that not even the most enthusiastic street driver would notice, such as momentarily uneven intake pressure in the right and left banks of the engine. But just because owners wouldn't notice it doesn't mean Toyota didn't come up with a solution to the problem. An Elegant Fix To A Nagging Problem On April 16, a filing appeared from the company at the United States Patent and Trademark Office, describing a way to ensure even boost pressure across an engine with two banks of cylinders and two turbochargers. Although the Toyota patent doesn't explicitly mention the GR GT, it does include diagrams of an eight-cylinder engine with hot-vee turbos, suggesting very strongly that the front-engined supercar is the intended recipient of the proprietary technology. ToyotaAnd as is typical of Japanese engineering, the solution is remarkably simple. For each bank of cylinders, air will follow a very predictable path, moving from the turbocharger compressor wheel to the intake-temp-reducing intercooler, then to a throttle body on its way to the intake manifold. The patent also describes a pressure sensor on the exhaust before it reaches the turbine, as well as an intake pressure sensor just before the intercooler and another one just after the throttle body, all of which will help tune the engine computer's parameters to ensure performance is even between the right and left banks.But in addition to all the sensors and gizmos common to modern turbocharger technology, the critical component to the patent is a pipe. Nothing fancy at all. Positioned between each intake manifold just downstream of the throttle body, this so-called "communication pipe" (element No. 60 in the image above) equalizes pressure between the right and left banks, compensating for any momentary exhaust pulses or turbocharger anomalies. The unique design will help improve throttle response, and since the communication pipe has a diameter that's equal to or smaller than the primary intake manifolds, it won't introduce any parasitic airflow into the system.United States Patent and Trademark Office / Toyota No More 'Danger To Manifold' If we could pick one word to describe Japanese engineering, it would probably be consistency. Like last week's Honda patent for producing synthetic gasoline, the Toyota filing doesn't seem ground-breaking, instead using existing technology in a new way to produce better results. Assuming the connection pipe reaches production on the GR GT, we doubt it'll add very much cost or complexity to the car. It doesn't seem to be motorized or mechanized in any way, meaning it's as integral a part of the intake system as the manifolds themselves.Of course, the other side to that simplicity coin is that we doubt the crossover pipe will actually add that much power compared to an otherwise-identical engine – Toyota is targeting 641 horsepower and 627 pound-feet of torque for its upcoming supercar. But it should nevertheless provide benefits that range from incrementally reduced wear and tear to more consistent performance during track days and hot laps. Add up enough of these low-risk, low-reward innovations, and you're bound to end up with something reliable, exciting, and fun. We hope that's the case with the 2027 Toyota GR GT.